2026-01-22
2010-2024年福田全系车型维修手册电路图系列接线拆装扭力故障诊断针脚定义资料更新
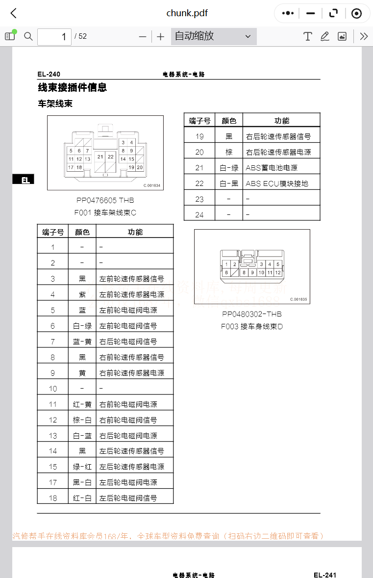
资料来源:汽修帮手资料库
汽修帮手资料库提供各大厂家车型维修手册、电路图、新车特征、车身钣金维修数据、全车拆装、扭力、发动机大修、发动机正时、保养、电路图、针脚定义、模块传感器、保险丝盒图解对照表位置等,并长期保持高频率资料更新
覆盖车型:伽途i 伽途im 伽途V 图雅诺 图雅诺 EV 图雅诺S 拓路者 EV 拓陆者 拓陆者E系 火星皮卡 祥菱 EV 祥菱M 祥菱Q 祥菱V 萨普 萨普V 征服者 萨瓦纳 蒙派克E 风景 风景G5 EV 风景G7 风景G7 EV 风景G9 风景V 风景V EV 风景G5 大将军
北京福田伽途i系列维修手册和电路图
北京福田伽途im系列维修手册维修手册和电路图
福田伽途V维修手册和电路图
福田图雅诺维修手册和电路图
福田图雅诺EV维修手册和电路图
福田图雅诺S维修手册和电路图
福田拓陆者EV维修手册和电路图
福田拓陆者维修手册和电路图
福田拓陆者E维修手册和电路图
福田火星皮卡维修手册和电路图
福田祥菱EV维修手册和电路图
福田祥菱M维修手册和电路图(天然气)
福田祥菱M维修手册和电路图(汽油版)
福田祥菱Q小康H16产品维修手册和电路图
福田祥菱V维修手册和电路图
福田萨普维修手册和电路图
福田萨普V征服者维修手册和电路图
福田萨瓦纳维修手册和电路图
福田蒙派克E级维修手册和电路图
福田风景客车维修手册和电路图
2022年福田风景G5EV维修手册和电路图
福田风景G7维修手册和电路图
福田风景G7 EV维修手册和电路图
福田风景G9维修手册和电路图
福田风景V系列维修手册和电路图
福田风景V电动车维修手册和电路图
福田风景G5电路图
福田大将军G9电路图










上一篇:福田时代EV M3 递哥 领航 领航M5 领航S1 驭菱 驭
下一篇:暂无