2026-01-16
福田奥铃CTS CTX EV M4 EV M卡 T3 TS TX 中卡 捷运 速运维修手册电路图资料
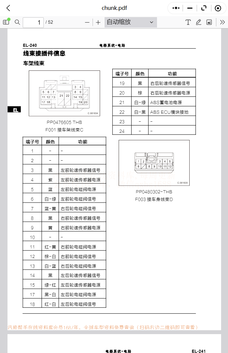
资料来源:汽修帮手资料库
汽修帮手资料库提供各大厂家车型维修手册、电路图、新车特征、车身钣金维修数据、全车拆装、扭力、发动机大修、发动机正时、保养、电路图、针脚定义、模块传感器、保险丝盒图解对照表位置等,并长期保持高频率资料更新
覆盖车型:福田奥铃CTS CTX EV M4 EV M卡 T3 TS TX 中卡 捷运 速运
福田奥铃CTS维修手册和电路图
福田奥铃CTX维修手册和电路图
福田奥铃EV维修手册和电路图
福田奥铃M4EV维修手册和电路图
福田奥铃SM2(M卡)维修手册和电路图
福田奥铃T3维修手册和电路图
福田奥铃TS维修手册维修手册和电路图
福田奥铃TX维修手册和电路图
福田奥铃中卡9系维修手册和电路图
福田奥铃捷运维修手册和电路图
福田奥铃速运电路图









